Kocioł c.o. na drewno PELLPAL D 16kW 5klasa / Ecodesign tradycyjny zasypowy Kotły Piece Pleszew ogrzewa od100 do160m2
7 dni roboczych
Etykieta energetyczna i karta produktu (POBIERZ)
towar niedostępny
dodaj do przechowalni
Opis
Kocioł zagazowujący paliwo w postaci drewna liściastego PellPal D o mocy 16 kW przeznaczony jest do ogrzewania pomieszczeń o powierzchni od 100 do 160 m2 a także podgrzewania wody w układach ciepłej wody użytkowej.
Posiada wysoką sprawność sięgającą 91,4%. W badaniach uzyskał klasę 5 według normy EN 303-5 oraz spełnia wymagania ekoprojektu (EcoDesign). Klasa energetyczna kotła to A+. Kocioł uzyskał bardzo niską emisję pyłów PM poniżej 20 mg/m3.
Specyfikacja techniczna:
- Znamionowa moc cieplna: 16kW
- Powierzchnia ogrzewanego pomieszczenia 100 ÷ 160 m2
- Pojemność wodna: 70 l
- Pojemność zbiornika akumulacyjnego (bufora): 600 l
- Znamionowa Ilość spalin: 11.1 g/s
- Znamionowa temp. spalin: 125 °C
- Opory przepływu wody Δt=20: mbar 0,25
- Opory przepływu wody Δt=10: mbar 1,0
- Zużycie paliwa-max: 4,7 kg/h
- Stałopalność 2,05 h
- Ciąg kominowy: 0,24 mbar
- Masa kotła: 270 kg
- Sprawność cieplna: 91,4 %
- Ciśnienie robocze: 2 bar
- Ciśnienie próby wodnej: 4 bar
- Masa załadunku paliwa: 8,5 kg
- Max. temperatura robocza: 85 °C
- Min. temperatura powrotu: 55 °C
- Min. temp. wody kotłowej: 10 °C
Wymiary kotła PellPal D 16kW:
- Szerokość korpusu (B1): 462 mm
- Szerokość całkowita (B): 497 mm
- Długość - głębokość korpusu (L1): 635 mm
- Długość - głębokość korpusu z czopuchem (L): 930 mm
- Wysokość do osi czopucha (H): 1286 mm
- Wysokość całkowita kotła (H1): 1103 mm
- Masa kotła: 270kg
- Drzwi zasypowe: 280 mm x 280 mm
Wymiary paleniska PellPal D 16kW:
- Głębokość: 300 mm
- Szerokosć: 280 mm
- Wysokość: 350 mm (do dolnej krawędzi wsypu)
- Wysokość: 600 mm (do górnej krawędzi wsypu)
Konfiguracja kotła:
- Drzwi uniwersalne (otwierają się na lewo lub prawo)
- Czopuch - średnica fi155mm
Paliwo podstawowe - drewno o następujących parametrach:
- Wilgotność max. 12 - 20 %;
- Wartość opałowa min.17,7 MJ/kg;
- Średnica kłód Ø 30 do 120;
- Długość kłód 240-260 mm (16,20 kW)
Zestaw obejmuje:
- Kocioł c.o.
- Miarkownik ciągu typ Regulus - 1 szt.
- Termometr zegarowy
- Instrukcję Obsługi i Instalacji
W kotle znajdują się:
- Dysza ceramiczna – 1 kpl.
- Ruszta żeliwne belkowe – 9 szt.
- Blacha zasypująca – 1 szt.
- Turbulatory – 3 szt.
Gwarancja na kocioł:
- 5 lat (montaż zgodny z DTR)*
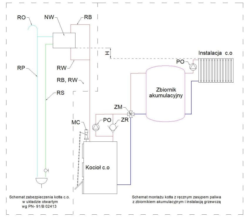
Kocioł może pracować w układzie otwartym wyposażonym w otwarte naczynie wzbiorcze jak również zamkniętym przy wyposażeniu układu grzewczego w niezbędne elementy typu zewnętrzna wężownica schładająca, zawór bezpieczeństwa DBV 2, zawór zabezpieczenia termicznego SYR 5067, naczynie przeponowe. W zależności od wybranego sposobu zabezpieczenia należy zastosować odpowiednie elementy.
Konstrukcja oparta jest o wymiennik z poziomymi kanałami konwekcyjnymi. W dolnych drzwiczkach zaprojektowana została klapka, której pozycja regulowana jest poprzez miarkownik ciągu Regulus. Stosowany opał to drewno w postaci polan umieszczanych w komorze palniska jednorazowo przed rozpoczęciem spalania. Wylot komina (czopuch) umieszczony jest z tyłu kotła.
Obowiązkowo układ w którym pracować ma kocioł wyposażony musi być w zbiornik akumulacyjny o pojemności minimalnej wynoszącej 600 litrów.
Usługi serwisowe kotłów PellPal objęte są poniższym cennikiem*:
Pierwsze uruchomienie i szkolenie z obsługi kotła: 406 zł netto / 499 zł brutto
Przegląd okresowy (co rok przez 5 lat): 350 zł netto / 430 zł brutto
Dojazd do Klienta: stawka ustalana z serwisem
Roboczogodzina: 150 zł netto / 184,50 zł brutto - usługi poza standardowym zakresem obsługi
Koszt dojazdu ustalany indywidualnie.
*wymagane celem zachowania gwarancji na kocioł oraz osprzęt.
Znajdź serwisanta w swojej okolicy: >> https://www.pellpal.pl/gdzie-serwisowac.html
Pliki do pobrania:
-
zaswiadczenie-badan-kociol-pellpal-d-16-kw-licencja-domer.pdf
-
dokumentacja-techniczno-ruchowa-dtr-kotly-pellpal-d-licencja-domer.pdf
-
etykieta-energetyczna-kociol-pellpal-d-16-kw-licencja-domer.pdf
-
karta-produktu-kociol-pellpal-d-16-kw-licencja-domer.pdf
-
karta-wymogow-w-zakresie-ekoprojektu-kociol-pellpal-d-16-kw-licencja-domer.pdf
Opinie o produkcie (0)
☎️ PAMIĘTAJ: Zamówienie możesz złożyć również telefonicznie 731 - 754 - 955 (pon-pt w godz. 8-18). ☎️

Wyświetlane są wszystkie opinie (pozytywne i negatywne). Nie weryfikujemy, czy pochodzą one od klientów, którzy kupili dany produkt.